SMA
SMA
SMA-KWFD 更多產品
- · TNC/SMA
- · N/SMA
- · SMA-KKY
- · SMA-KKF
- · SMA-JKF
- · SMA-JKW
- · SMA-KK
- · SMA-JK
- · SMA(M)
- · SMA-KWHD
- · SMA-KHD
- · SMA-JWHD
- · SMA-JHD
- · SMA-KYD
- · SMA-KWFD
- · SMA-KFD(8)
- · SMA-KFD(7)
- · SMA-KFD(6)
- · SMA-KFD(5)
- · SMA-KFD(4)
- · SMA-KFD(3)
- · SMA-KFD(2)
- · SMA-KFD(1)
- · SMA-JWFD
- · SMA-JFD
- · SMA-KY
- · SMA-KF
- · SMA-K
- · SMA-JW
- · SMA-J
主要技術特性
| 電氣性能 | 材料及機械性能 | |||||
|---|---|---|---|---|---|---|
| 特性阻抗 | 50Ω | 內導體 | 插針 | 黃銅 | 鍍金 | |
| 頻率范圍 | DC~18GHz | 插孔 | 鈹青銅 | 鍍金 | ||
| 額定電壓 | 335V rms | 殼體及其他金屬件 | 黃銅/不銹鋼 | 鍍金/鈍化 | ||
| 介質耐壓 | 1000V rms | 彈性件 | 鈹青銅 | 鍍金 | ||
| 電壓駐波比 | ≤1.05+0.1f(GHz) | 絕緣介質 | PTFE或LCP | |||
| ≤1.05+0.08f(GHz) | 配半柔、半剛電纜中心 | 密封圈 | 硅橡膠 | |||
| 接觸電阻 | ≤3mΩ | 中心接觸件 | 溫度范圍 | -65℃ ~+165℃ | ||
| ≤2mΩ | 外接觸件 | 耐久性 | 500次 | |||
| 絕緣電阻 | ≥5000MΩ | |||||
| 插入損耗 | ≤0.06√f(GHz)dB | |||||
具體型號
![]() |
![]() |
| 產品型號 | 適配電纜 | 備注 |
|---|---|---|
| SMA-KWFD | |
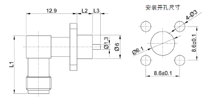
![]() |
![]() |
| 產品型號 | L1 | L2 |
|---|---|---|
| SMA-KWFD1 | 4 | 18.9 |
| SMA-KWFD7 | 7 | 21.9 |
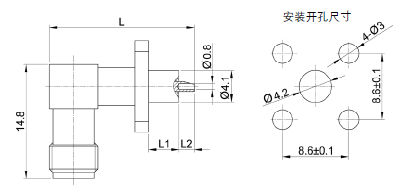
![]() |
![]() |
| 產品型號 | L1 | L2 | L |
|---|---|---|---|
| SMA-KWFD2 | 14.8 | 4 | 2 |
| SMA-KWFD11 | 14.8 | 2.4 | 5 |
| SMA-KWFD21 | 23.3 | 4 | 2 |
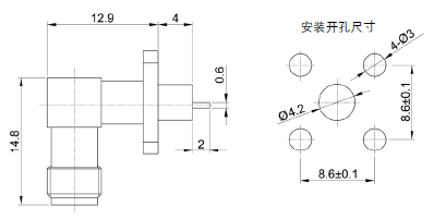
![]() |
![]() |
| 產品型號 | 適配電纜 | 備注 |
|---|---|---|
| SMA-KWFD3 | |















